•產品描述:U6310/U6311是一款耐壓為70V的集成三相全橋柵 極驅動器,適合于12V,24V和36V的三相電機應用中 高速功率 MOSFET 和IGBT 的柵極驅動,同時也集成 了12V LDO控制電路和MCU的供電 5.0V LDO,簡化 了整個供電系統。U6311內置比較電路,可用于電流過 流檢測,簡化外圍應用電路。 U6310/U6311 內 置 低 側 電 源 和 高 側 電 源 欠 壓 (UVLO)保護功能,防止功率管在過低的電壓下工 作,提高效率。 U6310/U6311輸入腳兼容3.3-5.0V輸入邏輯,集成 防穿通死區時間為 200ns,驅動能力為 +1.5A/- 1.8A。 U6310/U6311集成共模噪聲消除技術使得高邊驅 動器在高 dv/dt 噪聲環境能穩定工作,并且使芯片具 有寬范的負瞬態電壓忍受能力。
•主要特點:懸浮絕對電壓: 70V;VM電壓范圍:5.0-70.0V; U6311 集成比較器(基準 200mV);兼容3.3/5V 輸入邏輯;驅動電流:+1.5A/-1.8A(typ.);死區時間: 250ns (typ.);集成VCC和VBS欠壓保護;集成12V LDO控制電路;集成5.0V LDO;5V LDO集成輸出短路保護;過流檢測(U6311);負瞬態電壓承受能力;集成共模噪音消除電路;CPC24、SSOP24、QFN28 封裝
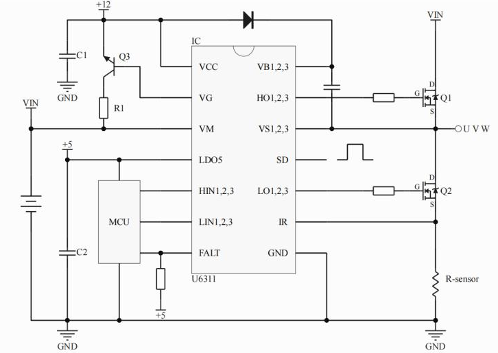
•典型應用電路 
Copyright ? 2015-2023 紹興宇力半導體有限公司
浙公網安備33060202001577
浙ICP備2020037221號-1
技術支持:藍韻網絡